3分钟阅读
xv6 实验日志 - Page Table
页表
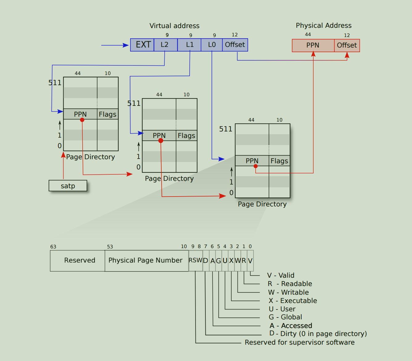
这张图片很好地说明了 xv6 页表机制

其中补充说明几点:
虚拟地址由三部分所组成:EXT(无实际作用,忽略),三级页表的 index,以及物理页的偏移量 offset
每个页表占据一个 PGSIZE 的空间 (4096 bytes),每个页表内有 512 个条目,称为 PTE。每个 PTE 有 64 位,由 PPN 与 Flag 所组成。
对于第一,第二级页表的 PPN,其所指向的是下一级页表的物理地址(由 PPN « 12 可得)。第三级页表的 PPN 指向的是虚拟地址所映射的物理页的起始地址,加上 va 的 offset 便可得到实际的 pa
satp 寄存器指向第一级页表的物理地址
PTE 中的 flag 在图片的下方有详细的描述
OS 对于地址的映射有绝对的控制权,可以任意地将某个虚拟页映射到某个物理页
虚拟地址到物理地址转换的步骤是由硬件的 MMU 实现的,OS 负责处理页表。但在 xv6 中有 walk() 函数模拟这一点,因为 xv6 通过直接写物理地址来实现内核空间与用户空间的传参
// Return the address of the PTE in page table pagetable
// that corresponds to virtual address va. If alloc!=0,
// create any required page-table pages.
//
// The risc-v Sv39 scheme has three levels of page-table
// pages. A page-table page contains 512 64-bit PTEs.
// A 64-bit virtual address is split into five fields:
// 39..63 -- must be zero.
// 30..38 -- 9 bits of level-2 index.
// 21..29 -- 9 bits of level-1 index.
// 12..20 -- 9 bits of level-0 index.
// 0..11 -- 12 bits of byte offset within the page.
pte_t *
walk(pagetable_t pagetable, uint64 va, int alloc)
{
if(va >= MAXVA)
panic("walk");
for(int level = 2; level > 0; level--) {
pte_t *pte = &pagetable[PX(level, va)];
// 根据 va 中的 index 确认 pte 的位置
if(*pte & PTE_V) {
pagetable = (pagetable_t)PTE2PA(*pte);
} else {
if(!alloc || (pagetable = (pde_t*)kalloc()) == 0)
return 0;
memset(pagetable, 0, PGSIZE);
*pte = PA2PTE(pagetable) | PTE_V;
}
}
return &pagetable[PX(0, va)];
}
内核页表
下面这张图描述了内核页表中 va 与 pa 的映射关系。右半部分的物理地址是由硬件设计者决定的,具体内容会写在主板手册上;而左半部分是由操作系统设计者定义的,因为老师们想让 xv6 尽可能的简单易懂,所以这里的虚拟地址到物理地址的映射,大部分是相等的。
地址 0x1000 是 boot ROM 的物理地址,当你对主板上电,主板做的第一件事情就是运行存储在 boot ROM 中的代码,当boot完成之后,会跳转到地址 0x80000000,操作系统需要确保那个地址有一些数据能够接着启动操作系统

可以通过 vm.c 中的 kvminit 与 memlayout.h 以及 kernel.ld 看到内核页表的映射:
// Make a direct-map page table for the kernel.
pagetable_t
kvmmake(void)
{
pagetable_t kpgtbl;
kpgtbl = (pagetable_t) kalloc();
memset(kpgtbl, 0, PGSIZE);
// uart registers
kvmmap(kpgtbl, UART0, UART0, PGSIZE, PTE_R | PTE_W);
// virtio mmio disk interface
kvmmap(kpgtbl, VIRTIO0, VIRTIO0, PGSIZE, PTE_R | PTE_W);
// PLIC
kvmmap(kpgtbl, PLIC, PLIC, 0x400000, PTE_R | PTE_W);
// map kernel text executable and read-only.
kvmmap(kpgtbl, KERNBASE, KERNBASE, (uint64)etext-KERNBASE, PTE_R | PTE_X);
// map kernel data and the physical RAM we'll make use of.
kvmmap(kpgtbl, (uint64)etext, (uint64)etext, PHYSTOP-(uint64)etext, PTE_R | PTE_W);
// etext 指向 text 段的末尾,后面是 data 段,在 kernel.ld 定义
// map the trampoline for trap entry/exit to
// the highest virtual address in the kernel.
kvmmap(kpgtbl, TRAMPOLINE, (uint64)trampoline, PGSIZE, PTE_R | PTE_X);
// map kernel stacks
proc_mapstacks(kpgtbl);
return kpgtbl;
}
// Initialize the one kernel_pagetable
void
kvminit(void)
{
kernel_pagetable = kvmmake();
}
其中 TRAMPOLINE 被映射了两次,分别在与物理地址相等的虚拟地址,以及在 va 的最高处。这说明页表的映射不必要是一一对应,多对多也可以
kernel stack 也会被映射两次,在 kvmmake 最后会调用 proc_mapstacks,那里又会将本映射在 kernel data 段的内核栈又映射到 va 的高处。但实际使用的是后者的映射,毕竟有保护页保护
学生提问:对于不同的进程会有不同的kernel stack吗?
Frans:答案是的。每一个用户进程都有一个对应的kernel stack
// Allocate a page for each process's kernel stack.
// Map it high in memory, followed by an invalid
// guard page.
void
proc_mapstacks(pagetable_t kpgtbl) {
struct proc *p;
for(p = proc; p < &proc[NPROC]; p++) {
char *pa = kalloc();
if(pa == 0)
panic("kalloc");
uint64 va = KSTACK((int) (p - proc));
kvmmap(kpgtbl, va, (uint64)pa, PGSIZE, PTE_R | PTE_W);
}
}
其中 KSTACK 宏在 memlayout.h 定义
#define KSTACK(p) (TRAMPOLINE - (p)*2*PGSIZE - 3*PGSIZE)
用户页表
用户页表的定义就简单很多,毕竟不需要考虑设备

和内核页表的映射不一样的是,用户空间的代码是从地址 0 开始的,这在调试的时候可辅助确认是处于用户还是内核。
trampoline 都映射到了虚拟地址的顶部,毕竟在异常处理时会从用户页表切换到内核页表,必须保证此段代码在二者中具有相同的 va,不然就乱套了
trapframe 结构则放在了 trapoline 底下,详情请见 xv6 实验日志 - Trap
MAXVA 在 riscv.h 中定义,很显然,与虚拟地址有意义的位数相关
#define MAXVA (1L << (9 + 9 + 9 + 12 - 1))